Stryker Light Source X8000 Service Manual

Stryker X8000 Community Manuals And Specifications Medwrench

Stryker X8000 Community Manuals And Specifications Medwrench

Stryker X8000 Xenon Light Source Service Manual Endoscopy Switch

Stryker X8000 Xenon Light Source Service Manual Endoscopy Switch

Https Cdn Shopify Com S Files 1 1046 1086 Files Stryker X8000 Xenon Light Source Service Manual Pdf

Https Cdn Shopify Com S Files 1 1046 1086 Files Stryker X8000 Xenon Light Source Service Manual Pdf

Aristocraft Trolley Bus Manual Teacher Guides Study Guide Installation Manual

Aristocraft Trolley Bus Manual Teacher Guides Study Guide Installation Manual

Pin On Inenidat

Pin On Inenidat

Xr400r Service Manual Manual Repair Manuals Chilton

Xr400r Service Manual Manual Repair Manuals Chilton

Xr400r Service Manual Manual Repair Manuals Chilton

Please refer to the appendix page 22.

Stryker light source x8000 service manual.

The led light source provides real time endoscopic visibility and near infrared fluorescence imaging. It is meant to be used in conjunction with the x8000 light source user manual 1000 400 885 and does not replace existing documentation. The l9000 uses light emitting diode led technology to generate bright crisp light which it delivers to the surgical site via a fiberoptic light cable. The stryker l9000 light source is a light generating unit designed to illuminate surgical sites during endoscopic applications.

This maximizes the ability of stryker s high definition video equipment to capture the most brilliant and detailed visualization possible for today s surgical procedures. This enables you to perform minimally invasive surgery using standard endoscopic visible light as well as visual assessment of vessels blood flow related tissue perfusion and biliary anatomy near infrared imaging. Stryker xenon lamp replacement guide x8000 x7000 luxtel is able to provide you with suitable lamps for your stryker x8000 and x7000 lightsources. View online or download stryker x8000 user manual.

L10 aim light source. This feature will only work if the x8000 is used with an esst light cable. Ship the stryker endoscopy x 7000 light source prepaid and insured to. For enhanced surgical visualization the stryker x8000 light source complements the stryker 1188 hd 3 chip camera by enhancing its picture with clean pure light.

We are not able to offer the entire module or re set your timer. The l9000 is compatible with all stryker light cables. Stryker endoscopy customer service attention. For enhanced surgical visualization.

Using the x8000 with a voice controlled system interface sidne operating and maintenance manual p n 1000 400 653. When operated with an esst light cable the x8000 senses when the scope and light cable are separated and places the light source in standby mode. New stryker keypad for x8000 light source for sale dotmed listing 3341631. Keypad for stryker x8000 light source this item is compatible new good quality we have sold many out.

Stryker x8000 xenon light source service manual. L9000 led lighting equipment pdf manual download. View and download stryker l9000 led user manual online. Stryker x8000 pdf user manuals.

Cd30 Infotainment Manual Guided Math Practice Math Problems Class 8

Cd30 Infotainment Manual Guided Math Practice Math Problems Class 8

C90b Manual Manual Car Manual Pdf Download

C90b Manual Manual Car Manual Pdf Download

Service Manual Stryker X7000

Service Manual Stryker X7000

Taski Combimat 500e Manual Manual Repair Guide Book Catalogue

Taski Combimat 500e Manual Manual Repair Guide Book Catalogue

Nissan F04g F04g U Forklift Fork Lift Truck Parts Catalog Manual Pdf Download Full Online Lifted Trucks Parts Catalog Trucks

Nissan F04g F04g U Forklift Fork Lift Truck Parts Catalog Manual Pdf Download Full Online Lifted Trucks Parts Catalog Trucks

Stryker X8000 Xenon Light Source Heartland Medical

Stryker X8000 Xenon Light Source Heartland Medical

6000 045 000 Stryker Smart Instruments Tray Navigation System Tray Smart

6000 045 000 Stryker Smart Instruments Tray Navigation System Tray Smart

Stryker X8000 Light Source 220 200 000 Mfi Medical

Stryker X8000 Light Source 220 200 000 Mfi Medical

Flosteady Repair Manual Pdf Electrical Connector Pressure Measurement

Flosteady Repair Manual Pdf Electrical Connector Pressure Measurement

Xfc2 Crossfire 2 Console User Manual Stryker Endoscopy

Xfc2 Crossfire 2 Console User Manual Stryker Endoscopy

Storz Xenon 300 Light Source User Manual En De Es Pdf

Storz Xenon 300 Light Source User Manual En De Es Pdf

Pin On Engine

Pin On Engine

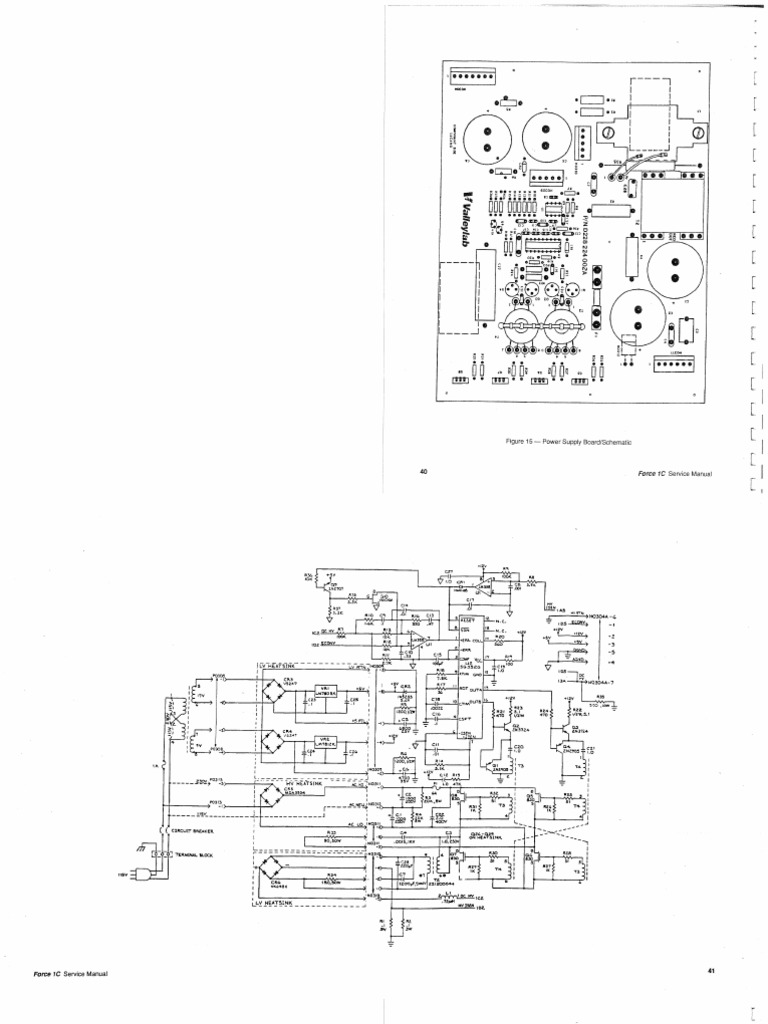
Valleylab Force 1c Schematics Pdf

Valleylab Force 1c Schematics Pdf

Endoscopy Laparoscopy Stryker Light Source

Endoscopy Laparoscopy Stryker Light Source

Evolution Of Hd Brochure Manualzz

Evolution Of Hd Brochure Manualzz

Sdc Hd Youtube

Sdc Hd Youtube

Zoll M Series Defibrillator Service Manual Pdf Federal Food Electromagnetic Interference

Zoll M Series Defibrillator Service Manual Pdf Federal Food Electromagnetic Interference

Stryker Core Manual

Stryker Core Manual

Stryker Manuals

Stryker Manuals

Stryker Lucas 3 Service Manual Pdf Download Manualslib

Stryker Lucas 3 Service Manual Pdf Download Manualslib

Used Stryker X8000 Xenon Light Source Avante Health Solutions

Used Stryker X8000 Xenon Light Source Avante Health Solutions

Stryker Operating Room Information System Preinstallation Manual Pdf Download Manualslib

Stryker Operating Room Information System Preinstallation Manual Pdf Download Manualslib

Auragen User Manual Aura Systems Inc

Auragen User Manual Aura Systems Inc

Wayteq Hd 95cx Service Manual Download Attendant User Manual Free

Wayteq Hd 95cx Service Manual Download Attendant User Manual Free

Source : pinterest.com